Dibuat Oleh : Evan Edsa Azola (1510951002)
Dosen Pembimbing : Darwison Daud, M.T
selamat dataang semuanyaa, sekarang kita sudah mencapai akhir dari bab dari buku ini. Dan yang akan kita bahas sekarang adalah Multiplexer - Demultiplexer Analog dan Pengubah Kode Lainnya.
Multiplexer - Demultiplexer Analog
contoh dari piranti ini adalah IC 4051, 4052, 4053 (Secara umum diberi simbol 405-). IC - IC tersebut memiliki 2 susunan Multiplexer dan Demultiplexer secara bergantian, Karena Input dan Ouput bisa dilakukan secara bergantian maka sering disebut juga sebagai Input / Ouput Bidirectional. Dimana aliran data dapat menuju salah satu dari dua arah atau bolak - balik secara bergantian.
![]() |
| Gambar 1. "Bentuk IC 4051." |
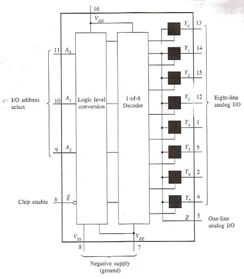
![]() |
| Gambar 2. "Bentuk dalam IC 4051." |
Kode Gray
Kode yang sering digunakan dalam Teknik Digital. Perbedaan kode ini dengan Kode Biner adalah, Kode Gray berubah hanya satu bit dari satu hitungan ke hitungan lainnya. Berikut adalah tabel konversinya :
![]() | |
| Gambar 3. "Tabel Konversi Biner Ke Gray." |
![]() |
| Gambar 4. "Lingkaran Kode Gray." |
![]() | |
| Gambar 5. "Pengubah Kode Biner Ke Gray." |
![]() |
| Gambar 6. "Pengubah Kode Gray Ke Biner." |
Baiklah Sampai disini saja post kali ini, berakhirnya post ini berarti berakhirnya pula post untuk bab ini. Mohon maaf jika ada kekurangan dan kesalahan, semoga bermanfaat. Terima Kasih, sampai jumpa lagii :D
Download :
Rangkaian :
Pengubah Kode Biner Ke Gray :
DOWNLOAD RANGKAIAN
Pengubah Kode Gray Ke Biner :
DOWNLOAD RANGKAIAN
Pengubah Kode Biner Ke Gray :
DOWNLOAD VIDEO
About Unknown
Hi, My Name is Evan. Im a College Student That Studies in Electrical Engineering. Take Interest in Programming and Robotics.







0 komentar:
Posting Komentar